App-temperatuurgebonden lijst
Materiaal Middelmatige temperatuur℃ Materiaal Middelmatige temperatuur℃
PVC-C -20℃~ 95℃ PVC-U -5℃ ~ 45℃
FRPP -20℃~ 120℃ PPH -20℃~ 110℃
PVDF 40℃~ 150℃

Structuurkenmerken van producten

1. Superieure chemische duurzaamheid: breed bedrijfstemperatuurbereik -20°C tot 95°C, het hoge ionengehalte in het medium voldoet aan de normen voor ultrapuur water en de hygiënische eigenschappen voldoen aan de nationale gezondheidsnormen.
2. Uitstekende sterkte, taaiheid en chemische corrosieweerstand.
3. Duurzaamheid: Uitstekende verouderings- en UV-bestendige voortgezette van andere leidingsystemen.
4. Lage thermische geleidbaarheid: ongeveer 1/200 van die van staal; zelfdovende vlamvertraging.
5. Lichtgewicht: lichtgewicht, gelijk aan 1/5 stalen buis en 1/6 koperen buis.
6. Lage weerstand, hoge stroomsnelheid: glad, schoon buisoppervlak, minimale wrijving en hechting bij het transporteren van onzichtbare.
7. Eenvoudige installatie, lage kosten: Er zijn lijm- en schroefdraadverbindingen beschikbaar, waarbij lijm het handigst is.

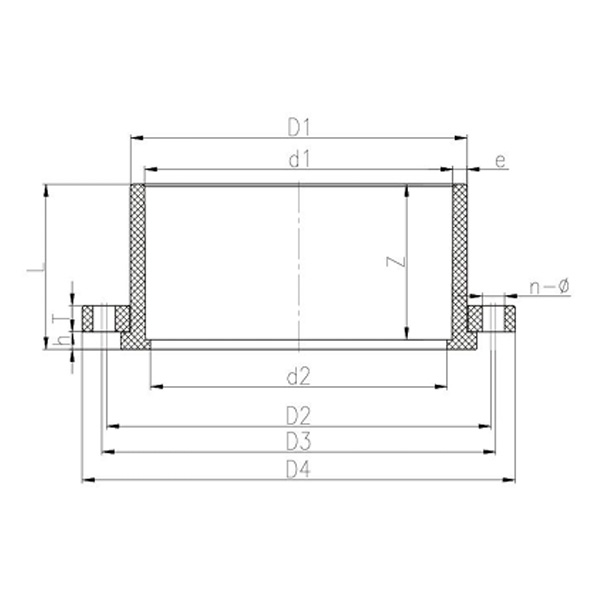
Afmetingenlijst

DN D1 D2 D3 D4 d1 d2 L T h Z n- Φ
15 27 59 70 95 20 18 22 16 1.5 16 4-Φ15X20,5
20 32 70 75 105 25 23 25 18 1.5 19 4-Φ15X17,5
25 40 79 90 125 32 29 28 18 1.5 22 4-Φ15X20,5
32 50 89 100 140 40 36 31.5 20 1.5 26 4-Φ18X24.5
4 61 98 110 150 50 4 37 20 2 31 4-Φ18X24
50 75 120 125 165 63 58 44 25 2 38 4-Φ18X20,5
65 88 140 145 185 75 69 50 25 2 44 4-Φ18X20,5
80 105 150 160 200 90 84 57 26 2.5 51 8-Φ18X23
100 127 175 190 522 9110 105 67 26 2.5 61 8- Φ 18X26
125 161 210 250 140 130 84 28 12.5 77 8-Φ19
150 182 240 285 160 150 93 31 12.5 85 8-Φ23
200 249 295 339 225 215 127 36 16 119 8-Φ23X25
200 254 295.8 341 225 215 127 33.1 16 119 12-Φ22
250 308 350 395 280 267 154 40.5 16.5 144 12-Φ23
300 346 400 445 315 305 170 43 18 160 12-Φ23
350 395 460 505 355 340 176 43 16 164.5 16-Φ23
400 442 515 570 400 382 219 43 22 200 16-Φ27
450 494 565 625 450 430 220 40 27 210 20-Φ26
500 548 620 670 500 475 210 43 25 185 20-Φ27
Berichtfeedback
Over ons
Kaixin Pipeline Technologies Co., Ltd.
Opgericht in 1999, Kaixin Pipeline Technologies Co., Ltd. is een hightech onderneming die R&D, productie, verkoop en service integreert. Het bedrijf beschikt over meerdere prestigieuze certificeringen, waaronder National High-Tech Enterprise, “Little Giant” Specialized and Sophisticated SME, National Single Product Champion (Cultivation), Provincial Technology-based SME, Ningbo Specialized and Sophisticated SME, Ningbo Single Product Champion (Cultivation), Ningbo Polymer Pipe & Valve Technology R&D Center, District-Level Green Factory, Ningbo Four-Star Management Innovation Enterprise en Enterprise Data Management Capability Maturity Level 2.
Wij zijn gespecialiseerd in het ontwikkelen, produceren en leveren van niet-metalen corrosiebestendige producten voor chemische toepassingen, waaronder kunststof kleppen, buizen, buisfittingen en corrosiebestendige pompen. Ons productportfolio omvat materialen zoals PVC-C, PVC-U, PVDF, PPH en FRPP, met een uitgebreid scala aan typen en specificaties. Met name onze vlinderkleppen kunnen een diameter van DN1000 bereiken, terwijl buizen en fittingen zich uitstrekken tot DN800, waardoor gaten in de markt worden gedicht en onze concurrentiepositie in de industrie behouden blijft.
Geleid door het principe van ‘Technologiegedreven, gelijke tred houden met de tijd’, wijst Kaixin jaarlijks bijna RMB 10 miljoen toe aan R&D. Wij garanderen een superieure productkwaliteit door middel van gestandaardiseerde geautomatiseerde productie en strikte inkoop van geïmporteerde grondstoffen. In lijn met onze internationale ontwikkelingsstrategie houden we voortdurend de mondiale markttrends in de gaten en maken we gebruik van digitale kanalen om klanten over de hele wereld hoogwaardige ‘Made in China’-producten te bieden.
Ningbo • Fenghua R&D- en productiebasis
Met een totale investering van RMB 200 miljoen heeft Kaixin Ultra-Pure Pipe Technology (Ningbo) Co., Ltd. in samenwerking met universiteiten en onderzoeksinstituten een nieuw materialenlaboratorium opgezet, een moderne productiebasis gebouwd en 8 volledig geautomatiseerde productielijnen geïnstalleerd voor gemodificeerde kunststoffen en 8 voor polymere materialen. De faciliteit is gewijd aan de R&D, productie en toepassing van nieuwe gemodificeerde kunststoffen en polymeermaterialen. Kaixin zet zich ook in voor het aantrekken van toptalent uit verschillende disciplines, waarbij productinnovatie en merkontwikkeling voortdurend worden gestimuleerd, met als doel een wereldwijd erkende leider te worden in de R&D en productie van polymeerkleppen, buizen en fittingen.
Certificaat van eer
  • honor
  • honor
  • honor
  • honor
  • honor
  • honor
  • honor
  • honor
  • honor
Nieuws